পণ্য বিবরণ
60 কেজি হেভি-ডিউটি স্টিল রেল প্রতি মিটার প্রতি 60 কেজি ওজন সহ এক ধরণের ইস্পাত রেলকে বোঝায়। এই ধরণের রেলের একটি বৃহত ক্রস-বিভাগ রয়েছে এবং এটি উল্লেখযোগ্য চাপ এবং প্রভাব বাহিনীকে সহ্য করতে পারে।
60 কেজি ভারী শুল্ক ইস্পাত রেলগুলির উচ্চ প্রসার্য শক্তি এবং কঠোরতা রয়েছে এবং ট্রেন অপারেশনের প্রভাব এবং ভারী বোঝা সহ্য করতে পারে।
এর বৃহত ক্রস-বিভাগের কারণে, 60 কেজি ভারী শুল্ক রেলের ট্র্যাকটিতে ভাল স্থিতিশীলতা রয়েছে, যা ট্র্যাকের বিকৃতি এবং স্থানচ্যুতি হ্রাস করতে পারে।
এর দুর্দান্ত পরিধানের প্রতিরোধ এবং জারা প্রতিরোধের কারণে, 60 কেজি ভারী শুল্ক ইস্পাত রেলগুলির একটি দীর্ঘতর পরিষেবা জীবন রয়েছে, প্রতিস্থাপন এবং রক্ষণাবেক্ষণের ফ্রিকোয়েন্সি হ্রাস করে।
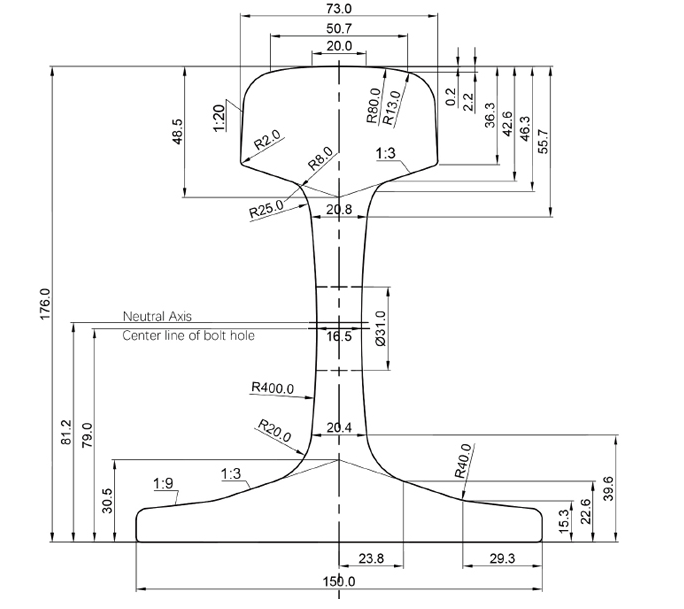
জিবিস্ট্যান্ডার্ড ভারী ইস্পাত রেল
|
|
|||||||
| আকার | রেল উচ্চতা (মিমি) | বেস প্রস্থ (মিমি) | মাথা প্রস্থ (মিমি) | ওয়েব বেধ (মিমি) | ওজন (কেজি/এম) | উপাদান | দৈর্ঘ্য |
| A | B | C | t | ||||
| 38 কেজি | 134 | 114 | 68 | 13 | 38.73 | 50mn/u71mn | 6-12m |
| 43 কেজি | 140 | 114 | 70 | 14.5 | 44.65 | 50mn/u71mn | 6-12m |
| 50 কেজি | 152 | 132 | 70 | 15.5 | 51.51 | 50mn/u71mn | 6-12m |
| 60 কেজি | 176 | 150 | 73 | 16.5 | 60.64 | 50mn/u71mn | 6-12m |
| 75 কেজি | 192 | 150 | 75 | 20 | 74.41 | 50mn/u71mn | 6-12m |



অন্যান্য বৈশিষ্ট্য
60 কেজি ভারী শুল্ক ইস্পাত রেল U71MN উপাদান দিয়ে তৈরি:
K০ কেজি ভারী শুল্ক রেলের সাথে ইউ 71 এমএন স্টিল গ্রেডের সংমিশ্রণে কেবলমাত্র উচ্চ শক্তি এবং ইউ 71 এমএন রেলের ভাল পরিধানের প্রতিরোধের সুবিধাগুলিই নয়, তবে বৃহত ক্রস-বিভাগের বৈশিষ্ট্য এবং 60 কেজি ভারী শুল্ক রেলের উচ্চ স্থিতিশীলতার বৈশিষ্ট্যও রয়েছে।
এই ধরণের ইস্পাত রেল রেলওয়ে নির্মাণে বিশেষত উচ্চ-গতির রেলপথ, ভারী শুল্ক রেলপথ এবং অন্যান্য লাইনে ব্যাপকভাবে ব্যবহৃত হয়েছে যা বড় বোঝা এবং প্রভাবগুলি সহ্য করতে হবে।
60 কেজি ভারী ইস্পাত রেল


FAQ
প্রশ্ন: গ্রাহক পরিদর্শনের জন্য নমুনা সরবরাহ করা হয়?
উত্তর: হ্যাঁ, আমরা গ্রাহকের প্রয়োজনীয়তা অনুযায়ী নমুনা সরবরাহ করতে পারি তবে সাধারণত গ্রাহককে শিপিংয়ের ব্যয় বহন করতে হয়।
প্রশ্ন: ইস্পাত রেলগুলির গুণমান কীভাবে নিশ্চিত করা যায়?
উত্তর: আমরা উত্পাদন এবং পরিদর্শন করার জন্য আন্তর্জাতিক মানের মানগুলি কঠোরভাবে অনুসরণ করি এবং আমাদের পণ্যগুলি গ্রাহকের প্রয়োজনীয়তা পূরণ করে তা নিশ্চিত করার জন্য গুণগত নিশ্চয়তা শংসাপত্র সরবরাহ করি।
প্রশ্ন: আপনার ইস্পাত রেল পণ্যগুলি চরম আবহাওয়ার সাথে খাপ খাইয়ে নিতে পারে?
উত্তর: আমাদের ইস্পাত রেল পণ্য নকশা উচ্চ তাপমাত্রা, নিম্ন তাপমাত্রা এবং আর্দ্র পরিবেশের প্রভাবগুলি বিবেচনা করে এবং বিভিন্ন জলবায়ু অবস্থার জন্য উপযুক্ত।
প্রশ্ন: আমার প্রকল্পের জন্য উপযুক্ত ইস্পাত রেল মডেলটি কীভাবে চয়ন করবেন?
উত্তর: আমরা রেলওয়ের পরিবহন ভলিউম, নকশার গতি এবং পরিবেশগত অবস্থার উপর ভিত্তি করে উপযুক্ত রেল প্রকারটি নির্বাচন করার পরামর্শ দিই। আমাদের প্রযুক্তিগত দল আপনাকে পেশাদার পরামর্শ সরবরাহ করতে পারে।
গরম ট্যাগ: U71MN 60 কেজি ভারী ইস্পাত রেল, চীন ইউ 71 এমএন 60 কেজি ভারী ইস্পাত রেল প্রস্তুতকারক, সরবরাহকারী, কারখানা










